Worldwide Chuck Services, Inc.

 

Chuck Repairs and ServiceWe Sell Lathe Chucks ActuatorsChuck Parts and AccessoriesJaws and Accessories

 
Worldwide Chuck Services is a master distributor of Kitagawa products.

Kitagawa Products Menu

Scroll Chuck
Four-Jaw Independent Chuck
Standard Thru-Hole Chuck
Big Bore High Speed Chuck
Super Big-Bore Power Chuck
Long Stroke Lever Style Chuck
Quick Jaw Change Chuck
Quick Jaw Change Chuck
Counter Balanced Chuck
Closed Center Chuck
Long Stroke Two-Jaw Chuck
Power Wing Chuck
Pull Back Chuck
Three-Jaw Pull Style Chuck
Four-Jaw Self-Centeriing Power Chuck
T-Nut

Two Stage Hydraulic Cylinder

High Speed Wheel Chuck
Self-Contained Air Chuck
Ultra High Precision
Collet
Standard Thru-Hole Cylinder
Big Bore High Speed Cylinder
Hydraulic Cylinder
Closed Center Cylinder
Stationary Air Cylinder
High Speed Air Cylinder
Work Gripper
Soft Jaw
Chuck Adapter
Hard Jaw
 

FH & FHP SERIES Hydraulic Cylinders

  Designed to meet the demands of today's high speed CNC bar and chucking lathes. They feature precision finished piston bores and cool running rotary unions for years of trouble-free performance

Special Features

  • High Speed
  • Built-in Check Valves and Pressure Relief Values
  • Long Piston Stroke
  • Long Life and High Endurance
  • Efficient Cooling at High Speeds

FH & FHP Series Coolant Collectors

 

COOLANT COLLECTORS DIMENSIONS (Dimensions in Inches)

MODEL CS-F09BN CS-F12BN CS-F15BN CS-F17BN CS-20HW CS-25HW
A 3.819 3.819 4.488 6.063 6.535 7.874
B 2.874 3.346 3.780 4.764 5.472 7.047
C 1.535 1.535 1.535 1.575 1.969 1.969
D 3.150 3.228 3.228 3.386 4.000 4.000
E 5.512 5.512 5.906 7.480 8.465 9.252
F 3.622 3.622 4.016 4.921 5.098 5.827
G 1.535 1.535 1.535 1.693 2.323 2.638
H 0.445 0.945 0.945 1.102 1.024 0.709
I 1.535 1.535 1.535 1.693 1.693 1.693
J 0.945 0.945 0.945 1.102 1.024 1.024
K 3.307 3.307 3.898 5.669 6.043 7.559
L 0.472 0.472 0.472 0.472 0.472 0.472
M min. 1.142 1.181 1.181 1.181 1.378 1.378
N 1.024 1.024 1.024 1.024 1.024
CYL. F0933H F1236H F1546H F1768H F2078H F2511H(P)

Standard Coolant Collectors (without proximity switch) are also available.

SPECIFICATIONS

MODEL UNIT F0933H F1236H F1546H F1768H F2078H F2511H F2511HP
Bore in. 1.299 1.417 1.811 2.677 3.071 4.626 4.626
Piston Stroke in. 0.472 0.472 0.630 0.748 0.906 0.906 1.969
Piston Area-Pull Side in.2 8.25 15.97 24.09 28.47 36.50 52.20 52.20
Piston Area-Push Side in.2 8.522 16.01 24.91 28.55 37.77 54.00 54.00
Max. Draw Bar Pull-Side lbs. 4935 8150 12115 14317 18502 26432 26432
Max. Draw Bar Push-Side lbs. 4620 8150 12555 14317 19163 27533 27533
Max. Operation Pressure psi 570 570 570 570 570 570 570
Max. Speed rpm 8000 6700 6000 4500 3500 2800 2800
GD2 lbs.* ft.2 0.8 2.1 5.5 10.0 14.5 42.2 45.0
Net Weight lbs. 18.7 28.6 48.5 74.9 96.9 132.2 138.8
Oil Leakage* gal./min. 0.7 0.8 1.0 1.0 1.0 2.0 2.0

* This oil leakage rate is reached if the cylinder is used at an operating pressure of 427 psi at oil temperature of 122° F.

SPECIFICATION OF PROXIMITY SWITCHES




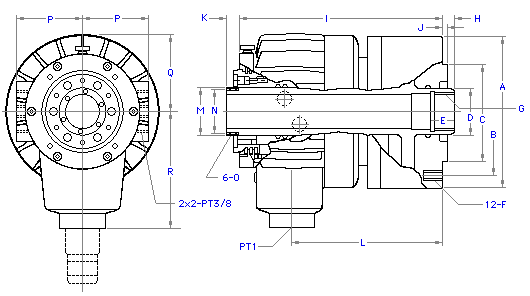
HYDRAULIC CYLINDERS DIMENSIONS (Dimensions in Inches)

MODEL F1236H F1546H F1768H F2078H F2511H F2511HP
A 6.102 7.480 8.465 9.449 12.205 12.205
B 5.118 6.693 7.480 8.465 10.827 10.827
C 3.937 5.118 6.299 7.087 9.055 9.055
D 1.969 2.559 3.346 3.937 5.512 5.512
E 0.984 1.181 1.181 1.378 1.772 1.772
F M10 M10 M10 M12 M16 M16
G M42x1.5 M55x2.0 M75x2.0 M90x2.0 M130x2.0 M130x2.0
H max. 0.472 0.630 0.945 0.906 0.945 1.811
H min. 0 0 0.197 0 0.039 -0.157
I 8.346 9.843 10.866 11.654 12.205 13.268
J 0.197 0.197 0.197 0.197 0.236 0.236
K max. 0.984 1.142 1.142 1.496 1.496 2.559
K min. 0.512 0.512 0.394 0.591 0.591 0.591
L 6.181 7.126 7.697 8.228 8.543 9.606
M 1.953 2.346 3.331 3.724 5.299 5.299
N 1.693 2.087 3.031 3.425 5.000 5.000
O M4 M4 M5 M5 M5 M5
P 2.717 3.071 3.937 4.232 4.921 4.921
Q 3.150 3.583 4.331 4.626 5.335 5.335
R 4.724 5.118 6.496 7.283 8.465 8.465

 

 



About Us

Contact Us

Site Map

Location

 

Worldwide Chuck Services, Inc.

1430 Danner Drive
 Aurora,  OH  44202
Phone: (330) 562-4509
Fax: (330) 562-2022

 questions@WorldwideChuck.com

 

Improving the World's Grip on Parts

Search our site for:

     

 
Don't forget about our warranty ... the best in the business!