|
S & SL SERIES Hydraulic Cylinders
| |
Compact and lightweight, they feature bore sizes up to 20% larger than conventional cylinders. Precision finished piston bores and cool running rotary unions are included for years of trouble-free performance. |
Special Features
- Large Bore
- Built-in Check Valves and Pressure Relief Values
- High Speed
- Long Life and High Endurance
- Long Piston Stroke
- Efficient Cooling at High Speeds
S & SL Series Coolant Collectors
COOLANT COLLECTORS DIMENSIONS (Dimensions in Inches)

| MODEL |
CS-S12BN |
CS-S15BN |
CS-S18BN |
CS-S20BN |
CS-S28BN |
| A |
3.819 |
4.488 |
6.063 |
6.063 |
9.843 |
| B |
3.346 |
3.780 |
4.764 |
5.433 |
|
| C |
1.535 |
1.535 |
1.575 |
2.283 |
2.047 |
| D |
3.228 |
3.228 |
3.386 |
4.016 |
4.044 |
| E |
5.512 |
5.906 |
7.480 |
7.480 |
11.220 |
| F |
3.622 |
4.016 |
4.921 |
4.921 |
|
| G |
1.535 |
1.535 |
1.693 |
2.047 |
2.343 |
| H |
0.945 |
0.945 |
1.102 |
1.181 |
1.437 |
| I |
1.535 |
1.535 |
1.693 |
2.047 |
2.343 |
| J |
0.945 |
0.945 |
1.102 |
1.181 |
1.437 |
| K |
3.307 |
3.898 |
5.669 |
5.669 |
9.528 |
| L |
0.197 |
0.197 |
0.197 |
.0197 |
0.276 |
| M min. |
0.906 |
0.906 |
0.906 |
1.181 |
|
| N |
1.299 |
1.299 |
1.299 |
1.299 |
1.102 |
| CYL. |
S1246 |
S1552 |
S1875 |
S2091 |
S2516 |
|
S1246L |
S1552L |
S1875L |
S2091L |
S2816L |
Standard Coolant Collectors (without proximity switch) are also available.
SPECIFICATIONS
| MODEL |
UNIT |
S1246 |
S1552 |
S1875 |
S2091 |
S1246L |
S1552L |
S1875L |
S2091L |
S2816 |
| Bore |
in. |
1.811 |
2.047 |
2.953 |
3.583 |
1.811 |
2.047 |
2.953 |
3.583 |
6.496 |
| Piston Stroke |
in. |
0.591 |
0.866 |
0.984 |
1.181 |
1.260 |
1.339 |
1.575 |
1.575 |
2.008 |
| Piston Area-Pull Side |
in.2 |
13.87 |
23.27 |
28.44 |
36.41 |
13.87 |
23.27 |
28.44 |
36.41 |
51.46 |
| Piston Area-Push Side |
in.2 |
15.59 |
25.00 |
30.63 |
38.97 |
15.59 |
25.00 |
30.63 |
38.97 |
58.34 |
| Max. Draw Bar Pull-Pull Side |
kN (kgf) |
33 (3365) |
56 (5710) |
69 (7036) |
88 (8973) |
33 (3365) |
56 (5710) |
69 (7036) |
88 (8973) |
91 (9279) |
| Max. Draw Bar Pull-Push Side |
kN (kgf) |
38 (3875) |
60 (6118) |
74 (7546) |
94 (9585) |
38 (3875) |
60 (6118) |
74 (7546) |
94 (9585) |
103 (10503) |
| Max. Operation Pressure |
psi |
570 |
570 |
570 |
570 |
570 |
570 |
570 |
570 |
435 |
| Max. Speed |
rpm |
7000 |
6200 |
4700 |
3800 |
7000 |
6200 |
4700 |
3800 |
2000 |
| GD 2 |
kg.m 2 |
.019 |
.053 |
.095 |
.153 |
.022 |
.058 |
.100 |
.160 |
.699 |
| Net Weight |
lbs. |
26.4 |
37.0 |
57.3 |
72.7 |
28.2 |
37.4 |
59.0 |
73.6 |
22.2 |
| Oil Leakage* |
gal./min. |
0.79 |
1.03 |
1.11 |
1.19 |
0.79 |
1.03 |
1.11 |
1.19 |
1.7 |
* This oil leakage rate is reached if the cylinder is used at an operating pressure of 427 psi at oil temperature of 122º F.
SPECIFICATION OF PROXIMITY SWITCHES

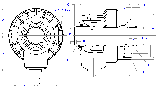
HYDRAULIC CYLINDERS DIMENSIONS (Dimensions in Inches)

| MODEL |
S1246 |
S1552 |
S1875 |
S2091 |
S1246L |
S1552L |
S1875L |
S2091L |
| A |
6.102 |
7.480 |
8.465 |
9.449 |
6.102 |
7.480 |
8.465 |
9.449 |
| B |
5.118 |
6.693 |
7.480 |
8.465 |
5.118 |
6.693 |
7.480 |
8.465 |
| C |
3.937 |
5.118 |
6.299 |
7.087 |
3.937 |
5.118 |
6.299 |
7.087 |
| D |
2.559 |
2.756 |
3.740 |
4.331 |
2.559 |
2.756 |
3.740 |
4.331 |
| E |
1.181 |
1.181 |
1.378 |
1.378 |
1.181 |
1.181 |
1.378 |
1.378 |
| F |
M10 |
M10 |
M10 |
M12 |
M10 |
M10 |
M10 |
M12 |
| G |
M55x2.0 |
M60x2.0 |
M85x2.0 |
M100x2.0 |
M55x2.0 |
M60x2.0 |
M85x2.0 |
M100x2.0 |
| H max. |
0.591 |
0.866 |
0.984 |
1.378 |
1.063 |
1.142 |
1.378 |
1.771 |
| H min. |
0 |
0 |
0 |
0 |
-0.197 |
-0.197 |
-0.197 |
-0.197 |
| I |
7.047 |
7.520 |
8.858 |
9.764 |
7.874 |
8.189 |
9.488 |
10.551 |
| J |
0.197 |
0.197 |
0.197 |
0.197 |
0.197 |
0.197 |
0.197 |
0.197 |
| K max. |
1.575 |
1.850 |
1.969 |
2.165 |
2.244 |
2.323 |
2.559 |
2.953 |
| K min. |
0.984 |
0.984 |
0.984 |
0.984 |
0.984 |
0.984 |
0.984 |
0.984 |
| L |
5.315 |
5.709 |
6.555 |
7.205 |
6.142 |
6.378 |
7.185 |
7.992 |
| M |
1.969 |
2.205 |
3.189 |
3.780 |
1.969 |
2.205 |
3.189 |
3.780 |
| N |
0.354 |
0.354 |
0.354 |
0.354 |
0.354 |
0.354 |
0.354 |
0.354 |
| O |
M52x1.5 |
M58x1.5 |
M84x2.0 |
M99x2.0 |
M52x1.5 |
M58x1.5 |
M84x2.0 |
M99x2.0 |
| P |
2.992 |
3.386 |
3.976 |
4.331 |
2.992 |
3.386 |
3.976 |
4.331 |
| Q |
3.937 |
4.331 |
4.764 |
5.256 |
3.937 |
4.331 |
4.764 |
5.256 |
| R |
4.528 |
5.118 |
6.299 |
7.283 |
4.528 |
5.118 |
6.299 |
7.283 |
|