|
SB SERIES Soft Jaws
| |
Kitagawa's original equipment offers consistently high quality. |
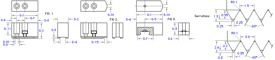
DIMENSIONS (Dimensions in Millimeters)

| MODEL |
S-1 |
S-2 |
S-3 |
S-4 |
S-5 |
S-6 |
S-7 |
S-8 |
S-9 |
S-10 |
S-11 |
S-12 |
S-14 |
S-15 |
Serrations |
Fig. |
| SB04C1 |
48 |
19 |
23 |
8 |
3 |
8 |
15 |
25 |
11 |
6.6 |
15 |
M6 |
6 |
|
1.5x60° |
2 |
| SB04C1-036 |
48 |
19 |
36 |
8 |
3 |
8 |
15 |
25 |
11 |
6.6 |
28 |
M6 |
|
|
1.5x60° |
1 |
| SB04C1-048 |
48 |
19 |
48 |
8 |
3 |
8 |
15 |
25 |
11 |
6.6 |
40 |
M6 |
|
|
1.5x60° |
1 |
| SB04C1T |
48 |
19 |
23 |
8 |
3 |
8 |
15 |
25 |
11 |
6.6 |
15 |
M6 |
|
|
1.5x60° |
1 |
| SB04C1T048 |
48 |
19 |
48 |
8 |
3 |
8 |
15 |
25 |
11 |
6.6 |
40 |
M6 |
|
|
1.5x60° |
1 |
| SB04B1 |
55 |
23 |
25 |
10 |
4 |
13 |
14 |
28 |
13.5 |
8.5 |
16 |
M8 |
3 |
13 |
1.5x60° |
2 |
| SB04B1-036 |
55 |
23 |
36 |
10 |
4 |
13 |
14 |
28 |
13.5 |
8.5 |
27 |
M8 |
3 |
|
1.5x60° |
2 |
| SB04B1-048 |
55 |
23 |
48 |
10 |
4 |
13 |
14 |
28 |
13.5 |
8.5 |
39 |
M8 |
3 |
|
1.5x60° |
2 |
| SB04A1T |
55 |
23 |
25 |
10 |
4 |
13 |
14 |
28 |
13.5 |
8.5 |
16 |
M8 |
|
|
1.5x60° |
1 |
| SB04A1T048 |
55 |
23 |
48 |
10 |
4 |
13 |
14 |
28 |
13.5 |
8.5 |
39 |
M8 |
|
|
1.5x60° |
1 |
| SB04N1 |
49.5 |
23 |
23 |
10 |
4 |
10 |
14 |
25.5 |
13.5 |
8.5 |
14 |
M8 |
4 |
|
1.5x60° |
2 |
| SB04N1-036 |
49.5 |
23 |
36 |
10 |
4 |
10 |
14 |
25.5 |
13.5 |
8.5 |
14 |
M8 |
|
|
1.5x60° |
1 |
| SB04N1-048 |
49.5 |
23 |
48 |
10 |
4 |
10 |
14 |
25.5 |
13.5 |
8.5 |
14 |
M8 |
|
|
1.5x60° |
1 |
| SB05C1 |
57 |
23 |
31 |
10 |
3 |
10 |
18 |
29 |
13.5 |
8.5 |
22 |
M8 |
12 |
|
1.5x60° |
2 |
| SB05C1-038 |
57 |
23 |
38 |
10 |
3 |
10 |
18 |
29 |
13.5 |
8.5 |
29 |
M8 |
|
|
1.5x60° |
1 |
| SB05C1-053 |
57 |
23 |
53 |
10 |
3 |
10 |
18 |
29 |
13.5 |
8.5 |
44 |
M8 |
|
|
1.5x60° |
1 |
| SB05C1T |
57 |
23 |
31 |
10 |
3 |
10 |
18 |
29 |
13.5 |
8.5 |
22 |
M8 |
|
|
1.5x60° |
1 |
| SB05C1T053 |
57 |
23 |
53 |
10 |
3 |
10 |
18 |
29 |
13.5 |
8.5 |
44 |
M8 |
|
|
1.5x60° |
1 |
| SB05B1 |
62 |
23 |
27 |
10 |
4 |
14 |
19 |
29 |
13.5 |
8.5 |
18 |
M8 |
12 |
14 |
1.5x60° |
2 |
| SB05A1-038 |
62 |
23 |
38 |
10 |
4 |
14 |
19 |
29 |
13.5 |
8.5 |
29 |
M8 |
|
|
1.5x60° |
1 |
| SB05A1-053 |
62 |
23 |
53 |
10 |
4 |
14 |
19 |
29 |
13.5 |
8.5 |
44 |
M8 |
|
|
1.5x60° |
1 |
| SB05A1T |
62 |
23 |
27 |
10 |
4 |
14 |
19 |
29 |
13.5 |
8.5 |
18 |
M8 |
|
|
1.5x60° |
1 |
| SB05A1T053 |
62 |
23 |
53 |
10 |
4 |
14 |
19 |
29 |
13.5 |
8.5 |
44 |
M8 |
|
|
1.5x60° |
1 |
| SB05N1 |
54 |
23 |
25 |
10 |
4 |
12 |
14 |
28 |
13.5 |
8.5 |
16 |
M8 |
5 |
|
1.5x60° |
2 |
| SB05N1-038 |
54 |
23 |
38 |
10 |
4 |
12 |
14 |
28 |
13.5 |
8.5 |
29 |
M8 |
|
|
1.5x60° |
1 |
| SB05N1-053 |
54 |
23 |
53 |
10 |
4 |
12 |
14 |
28 |
13.5 |
8.5 |
44 |
M8 |
|
|
1.5x60° |
1 |
| SB06B1 |
72 |
31 |
32 |
12 |
5 |
15 |
20 |
37 |
17 |
11 |
20 |
M10 |
12 |
15 |
1.5x60° |
2 |
| SB06A1-066 |
72 |
36 |
66 |
12 |
5 |
15 |
20 |
37 |
17 |
11 |
54 |
M10 |
|
|
1.5x60° |
1 |
| SB06A2 |
75 |
32 |
36 |
12 |
6 |
19 |
20 |
36 |
17 |
11 |
23 |
M10 |
|
|
3.0x60° |
1 |
| SB06A2-057 |
75 |
32 |
57 |
12 |
6 |
19 |
20 |
36 |
17 |
11 |
44 |
M10 |
|
|
3.0x60° |
1 |
| SB06A2-077 |
75 |
32 |
77 |
12 |
6 |
19 |
20 |
36 |
17 |
11 |
64 |
M10 |
|
|
3.0x60° |
1 |
| SB06A1T |
72 |
31 |
32 |
12 |
5 |
15 |
20 |
37 |
17 |
11 |
20 |
M10 |
|
|
1.5x60° |
1 |
| SB06A1T066 |
72 |
31 |
66 |
12 |
5 |
15 |
20 |
37 |
17 |
11 |
54 |
M10 |
|
|
1.5x60° |
1 |
| SB06C1 |
76.5 |
40 |
37 |
14 |
5 |
15 |
25 |
36.5 |
19 |
13 |
22 |
M12 |
|
|
1.5x60° |
1 |
| SB06L1A |
66 |
26 |
28 |
12 |
5 |
12 |
20 |
34 |
17 |
11 |
16 |
M10 |
|
|
1.5x60° |
2 |
| SB06L1T |
66 |
26 |
28 |
12 |
5 |
12 |
20 |
34 |
17 |
11 |
15 |
M10 |
5 |
12 |
1.5x60° |
1 |
| SB08B1 |
95 |
35 |
38 |
14 |
5 |
24 |
25 |
46 |
19 |
13 |
23 |
M12 |
12 |
20 |
1.5x60° |
2 |
| SB08A1-056 |
95 |
35 |
56 |
14 |
5 |
24 |
25 |
46 |
19 |
13 |
41 |
M12 |
|
|
1.5x60° |
1 |
| SB08A1-076 |
95 |
35 |
76 |
14 |
5 |
24 |
25 |
46 |
19 |
13 |
61 |
M12 |
|
|
1.5x60° |
1 |
| SB08A2 |
95 |
35 |
42 |
14 |
6 |
24 |
25 |
46 |
19 |
13 |
26 |
M12 |
|
|
3.0x60° |
1 |
| SB08A2-077 |
95 |
35 |
77 |
14 |
6 |
24 |
25 |
46 |
19 |
13 |
61 |
M12 |
|
|
3.0x60° |
1 |
| SB08A1T |
95 |
35 |
38 |
14 |
5 |
24 |
25 |
46 |
19 |
13 |
23 |
M12 |
|
|
1.5x60° |
1 |
| SB08A1T056 |
95 |
35 |
56 |
14 |
5 |
24 |
25 |
46 |
19 |
13 |
41 |
M12 |
|
|
1.5x60° |
1 |
| SB08A1T076 |
95 |
35 |
76 |
14 |
5 |
24 |
25 |
46 |
19 |
13 |
61 |
M12 |
|
|
1.5x60° |
1 |
| SB10B1 |
110 |
40 |
42 |
16 |
5 |
30 |
30 |
50 |
19 |
13 |
27 |
M12 |
15 |
20 |
1.5x60° |
2 |
| SB10A1 |
110 |
40 |
42 |
16 |
5 |
30 |
30 |
50 |
19 |
13 |
27 |
M12 |
15 |
20 |
1.5x60° |
2 |
| SB10A1-056 |
110 |
40 |
56 |
16 |
5 |
30 |
30 |
50 |
19 |
13 |
41 |
M12 |
|
|
1.5x60° |
1 |
| SB10A1-080 |
110 |
40 |
80 |
16 |
5 |
30 |
30 |
50 |
19 |
13 |
65 |
M12 |
|
|
1.5x60° |
1 |
| SB10A1-116 |
110 |
40 |
116 |
16 |
5 |
30 |
30 |
50 |
19 |
13 |
101 |
M12 |
|
|
1.5x60° |
1 |
| SB10A2Q |
110 |
40 |
42 |
16 |
6 |
30 |
30 |
50 |
19 |
13 |
26 |
M12 |
|
|
3.0x60° |
1 |
| SB10A2Q080 |
110 |
40 |
80 |
16 |
6 |
30 |
30 |
50 |
19 |
13 |
64 |
M12 |
|
|
3.0x60° |
1 |
| SB10A2 |
110 |
40 |
42 |
16 |
6 |
30 |
30 |
50 |
19 |
13 |
26 |
M12 |
|
|
3.0x60° |
1 |
| SB10A2-080 |
110 |
40 |
80 |
16 |
6 |
30 |
30 |
50 |
19 |
13 |
65 |
M12 |
|
|
3.0x60° |
1 |
| SB10A1T |
110 |
40 |
42 |
16 |
5 |
30 |
30 |
50 |
19 |
13 |
27 |
M12 |
|
|
1.5x60° |
1 |
| SB10A1T080 |
110 |
40 |
80 |
16 |
5 |
30 |
30 |
50 |
19 |
13 |
65 |
M12 |
|
|
1.5x60° |
1 |
| SB12A1 |
129 |
50 |
50 |
18 |
5 |
39 |
30 |
60 |
23 |
15 |
30 |
M14 |
|
|
1.5x60° |
1 |
| SB12A1-090 |
129 |
50 |
90 |
18 |
5 |
39 |
30 |
60 |
23 |
15 |
70 |
M14 |
|
|
1.5x60° |
1 |
| SB12C1 |
129 |
50 |
50 |
18 |
5 |
32 |
38 |
59 |
23 |
15 |
35 |
M14 |
|
|
1.5x60° |
1 |
| SB12A2 |
129 |
50 |
50 |
18 |
6 |
32 |
38 |
59 |
23 |
15 |
34 |
M14 |
|
|
3.0x60° |
1 |
| SB12A2-127 |
129 |
50 |
127 |
18 |
6 |
32 |
38 |
59 |
23 |
15 |
111 |
M14 |
|
|
3.0x60° |
1 |
| SB12A1T |
129 |
50 |
50 |
18 |
5 |
39 |
30 |
60 |
23 |
15 |
30 |
M14 |
|
|
1.5x60° |
1 |
| SB12A1T090 |
129 |
50 |
90 |
18 |
5 |
39 |
30 |
60 |
23 |
15 |
70 |
M14 |
|
|
1.5x60° |
1 |
| SB12N1 |
111 |
50 |
50 |
21 |
4 |
21 |
30 |
60 |
25 |
17 |
33 |
M16 |
|
|
1.5x60° |
1 |
| SB12N1-090 |
111 |
50 |
90 |
21 |
4 |
21 |
30 |
60 |
25 |
17 |
73 |
M16 |
|
|
1.5x60° |
1 |
| SB12N1T |
111 |
50 |
50 |
21 |
4 |
21 |
30 |
60 |
25 |
17 |
33 |
M16 |
|
|
1.5x60° |
1 |
| SB15C1 |
165 |
62 |
66 |
22 |
8 |
37 |
43 |
85 |
32 |
21 |
42 |
M20 |
|
|
1.5x60° |
1 |
| SB15A1 |
156 |
62 |
70 |
22 |
8 |
36 |
60 |
60 |
32 |
21 |
45 |
M20 |
|
|
1.5x60° |
1 |
| SB15A1-110 |
156 |
62 |
110 |
22 |
8 |
36 |
60 |
60 |
32 |
21 |
85 |
M20 |
|
|
1.5x60° |
1 |
| SB15A2 |
156 |
62 |
70 |
22 |
9 |
36 |
60 |
60 |
32 |
21 |
45 |
M20 |
|
|
3.0x60° |
1 |
| SB15AQ |
129 |
50 |
50 |
18 |
6 |
32 |
38 |
59 |
23 |
15 |
34 |
M14 |
|
|
3.0x60° |
1 |
| SB15C1T |
165 |
62 |
66 |
22 |
8 |
37 |
43 |
85 |
32 |
21 |
42 |
M20 |
|
|
1.5x60° |
1 |
| SB15N1 |
135 |
50 |
60 |
25.5 |
5 |
26 |
43 |
66 |
32 |
21 |
39 |
M20 |
|
|
1.5x60° |
1 |
| SB15N1-110 |
135 |
50 |
110 |
25.5 |
5 |
26 |
43 |
66 |
32 |
21 |
89 |
M20 |
|
|
1.5x60° |
1 |
| SB18A2 |
180 |
65 |
70 |
25 |
9 |
40 |
60 |
80 |
32 |
21 |
45 |
M20 |
|
|
3.0x60° |
1 |
| SB18A2-110 |
180 |
65 |
110 |
25 |
9 |
40 |
60 |
80 |
32 |
21 |
85 |
M20 |
|
|
3.0x60° |
1 |
| SB24A2 |
210 |
75 |
90 |
25 |
9 |
40 |
80 |
90 |
32 |
21 |
65 |
M20 |
|
|
3.0x60° |
1 |
| SB24A2-130 |
210 |
75 |
130 |
25 |
9 |
40 |
80 |
90 |
32 |
21 |
105 |
M20 |
|
|
3.0x60° |
1 |
| SB06BB |
90 |
32 |
30 |
24 |
54 |
36 |
68 |
|
|
|
|
|
5 |
|
|
3 |
| SB06BB-040 |
90 |
32 |
40 |
24 |
54 |
36 |
68 |
|
|
|
|
|
5 |
|
|
3 |
| SB08BB |
106 |
37 |
38 |
28 |
64 |
42 |
76 |
|
|
|
|
|
14 |
|
|
3 |
| SB08BB-056 |
106 |
37 |
56 |
28 |
64 |
42 |
76 |
|
|
|
|
|
14 |
|
|
3 |
| SB10BB |
125 |
42 |
42 |
31 |
76 |
49 |
88 |
|
|
|
|
|
26 |
|
|
3 |
| SB10BB-060 |
125 |
42 |
60 |
31 |
76 |
49 |
88 |
|
|
|
|
|
26 |
|
|
3 |
| SB12BB |
139 |
42 |
50 |
34 |
90 |
49 |
92 |
|
|
|
|
|
30 |
|
|
3 |
| SB12BB-070 |
139 |
42 |
70 |
34 |
90 |
49 |
92 |
|
|
|
|
|
30 |
|
|
3 |
| PW-06 |
67.5 |
50.8 |
51 |
38.07 |
3.3 |
15 |
29.36 |
23.14 |
17 |
11 |
42.4 |
M10 |
8 |
|
|
2 |
| PW-08 |
74 |
57 |
57.47 |
44.45 |
3.3 |
15 |
34.14 |
24.86 |
20 |
13.5 |
47 |
M12 |
|
|
|
1 |
| PW-10 |
89.5 |
70.1 |
70.2 |
57.1 |
3.3 |
19 |
44.45 |
26.05 |
25 |
17 |
59 |
M16 |
|
|
|
1 |
| PW-12 |
108.5 |
70.1 |
70.2 |
57.1 |
3.3 |
19 |
44.45 |
45.05 |
25 |
17 |
59 |
M16 |
|
|
|
1 |
| PW-15 |
140 |
76.2 |
76.5 |
66.62 |
3.3 |
23.9 |
53.58 |
62.12 |
32 |
21 |
61.2 |
M20 |
|
|
|
1 |
|
|