PU200 & PUE SERIES High Precision Pull Back Chucks
Three-jaw pull lock style power chucks are ideal for finish machining applications. The radial and pull-back features allow high gripping forces, component length control as well as high repeatability of 0.0004". OD and ID grip versions are standard.
Special Features
- High Accuracy for Finish Machining
- Length Control for Efficient Operation
- Pull Back Feature Is Ideal for Second Operations requiring Highest Precision.
- OD and ID Grip Versions
- Maintains More Gripping Forces at High RPMs Compared to Conventional Chucks
- Optional Component Seating Confirmation
- Optional Air and/or Coolant Blast
Model PU200 and PUE Series Chucks are manufactured from high grade alloy steel. All sliding surfaces are hardened and ground to assure consistent accuracy and performance.
Lubrication nipple in chuck body. Body is sealed to ensure long life and extended lubrication frequency.
Mounting: Direct mounting to fit ASA B5.9 type A (interchangeable with DIN 55026).
Standard Equipment: Chuck assembled with adapter, chuck mounting bolts, soft top jaws and jaw mounting bolts with wrench, draw nut wrench.
SPECIFICATIONS
| MODEL |
UNIT |
PU-204 |
PU-205 |
PU-206 |
PU-208 |
PU-210 |
PUE-05 |
PUE-06 |
| Plunger Stroke |
in. |
0.236 |
0.157 |
0.394 |
0.394 |
0.394 |
0.236 |
0.394 |
| Jaw Stroke (Diameter) |
in. |
0.118 |
0.078 |
0.197 |
0.197 |
0.197 |
0.110 |
0.189 |
| Max. Draw Bar Pull Force |
kN (kgf) |
|
14 (1428) |
18 (1835) |
25 (2549) |
35 (3569) |
13 (1325) |
18 (1835) |
| Max.Gripping Force |
kN (kgf) |
|
40 (4079) |
58 (5914) |
80 (8158) |
100 (10197) |
42 (4280) |
58 (5914) |
| Max. Speed |
rpm |
10,000 |
8000 |
7000 |
6000 |
4500 |
7000 |
6000 |
| Net Weight(1) |
lbs |
8.4 |
14.5 |
31 |
53 |
93 |
17 |
31 |
| GD 2 |
N.m 2 (kgf.m 2 ) |
|
.17 (.02) |
.48 (.05) |
1.30 (.13) |
3.33 (.34) |
.17 (.02) |
.42 (.04) |
| Matching Cylinder |
YG296 |
YG295 |
Y1020R |
Y1225R |
Y1225R |
Y1020R(4) |
Y1020R |
| Matching Soft Jaw |
SB-PU204 |
SB-PU205 |
SB-PU206 |
SB-PU208 |
SB-PU210 |
SB-PUE05 |
SB-PUE06 |
| Gripping Range |
OD |
øin. |
0.394-2.362 |
0.590-3.307 |
0.984-3.937 |
0.984-5.118 |
1.378-6.299 |
|
|
| ID(1) |
øin. |
|
|
|
|
|
1.969-2.560 |
2.756-3.504 |
| ID(2) |
øin. |
|
|
|
|
|
2.560-3.150 |
3.504-4.134 |
| ID(3) |
øin. |
|
|
|
|
|
1.142-1.969 |
1.732-2.756 |
(1)Standard Soft Jaw.
(2)Optional Soft Jaw.
(3)Master Jaw.
(4)High Speed Cylinder required for speeds over 6000rpm.
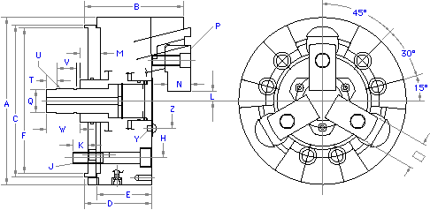
PU200 SERIES DIMENSIONS (Dimensions in Inches)

| MODEL |
PU-204 |
PU-205 |
PU-206 |
PU-208 |
PU-210 |
| A |
4.331 |
5.315 |
6.496 |
8.268 |
10.000 |
| B |
2.854 |
3.405 |
4.528 |
5.315 |
5.906 |
| C |
3.937 |
5.315 |
6.102 |
7.087 |
9.055 |
| D |
2.165 |
2.520 |
2.835 |
3.346 |
3.740 |
| E |
1.693 |
2.000 |
2.559 |
2.756 |
3.228 |
| F |
3.346 |
4.330 |
5.512 |
6.693 |
8.661 |
| H |
2.362 |
3.250 |
4.126 |
5.252 |
6.748 |
| J |
3-M10 |
3-M10 |
6-M10 |
6-M12 |
6-M16 |
| K |
0.472 |
0.590 |
0.551 |
0.591 |
0.906 |
| L max. |
0.423 |
0.630 |
0.640 |
0.640 |
0.837 |
| L min. |
0.364 |
0.590 |
0.541 |
0.541 |
0.738 |
| M max. |
0.748 |
0.866 |
0.433 |
0.433 |
0.472 |
| M min. |
0.512 |
0.709 |
0.039 |
0.039 |
0.079 |
| N |
0.669 |
0.669 |
1.063 |
1.220 |
1.378 |
| O |
0.787 |
0.944 |
1.181 |
1.378 |
1.575 |
| P |
3-M6 |
3-M8 |
3-M10 |
3-M12 |
3-M14 |
| Q |
0.709 |
0.905 |
1.024 |
1.260 |
1.378 |
| T |
0.472 |
0.472 |
0.472 |
0.591 |
0.591 |
| U |
M20x1.5 |
M25x1.5 |
M28x1.5 |
M35x1.5 |
M38x1.5 |
| V |
0.945 |
1.181 |
1.220 |
1.181 |
1.181 |
| W |
1.417 |
1.654 |
1.929 |
2.008 |
2.008 |
| Y |
3-M4 |
3-M5 |
3-M5 |
3-M6 |
3-M8 |
| Z |
1.654 |
2.047 |
2.126 |
2.559 |
3.150 |
PUE SERIES DIMENSIONS (Dimensions in Inches)


| MODEL |
PUE-05 |
PUE-06 |
MODEL |
PUE-05 |
PUE-06 |
| A |
5.315 |
6.496 |
N |
3-M6 |
3-M6 |
| B |
2.835 |
3.268 |
P |
0.945 |
1.575 |
| C (H6) |
4.331 |
5.512 |
Q |
0.984 |
1.575 |
| D |
3.858 |
4.528 |
R |
0.669 |
0.591 h8 |
| E |
0.197 |
0.197 |
S |
1.024 |
1.575 |
| F |
3.250 |
4.126 |
T |
0.276 |
0.591 |
| G |
3-M10 |
6-M10 |
U |
M16x2 |
M18x2.5 |
| H |
0.591 |
0.591 |
V |
|
0.197 |
| J max. |
1.354 |
1.846 |
W |
1.220 |
1.457 |
| J min. |
1.299 |
1.752 |
X |
0.787 |
1.299 |
| K max. |
0.709 |
3.091 |
Y |
1.181 |
1.181 |
| K min. |
0.472 |
2.697 |
Z |
2.165 |
2.559 |
| L |
0.787 |
0.906 |
a |
M6x11 |
M6x11 |
| M |
0.945 |
1.220 |
|
|
|
Gripping Characteristic Graph

|