|
NLT SERIES Closed Center, Two-Jaw, Long Stroke Chucks
| |
Two-jaw wedge style power chuck with closed center and long stroke. Cost effective solutions for high speed chucking and universal machining where long stroke and no thru-hole is required. These deliver consistent accuracy and repetitive chucking. |
Special Features
- Long Stroke
- Strong Clamping Force
- Interchangeable Top Tooling
- High Speed
- Compact and Lightweight
- Direct Mount
- High Accuracy and High Endurance
Model NLT Series Chucks are manufactured from high grade alloy steel. All sliding surfaces are hardened and ground to assure consistent accuracy and performance.
Lubrication nipple in each base jaw.
Master Jaw Serration: Chuck size 6" to 12": 1.5mm x 60°
Mounting: Direct mounting to fit ASA B5.9 type A (interchangeable with DIN 55026).
Standard Equipment: Chuck assembled with adapter, chuck mounting bolts, soft top jaws, T-nuts and jaw mounting bolts with wrench, draw nut wrench.
SPECIFICATIONS
| MODEL |
UNIT |
NLT-06A05 |
NLT-08A06 |
NLT-10A06 |
NLT-10A08 |
NLT-12A06 |
NLT-12A08 |
| Spindle Nose |
|
A2-5 |
A2-6 |
A2-6 |
A2-8 |
A2-6 |
A2-8 |
| Jaw Stroke (Diameter) |
in. |
0.512 |
0.638 |
0.713 |
0.713 |
0.764 |
0.764 |
| Plunger Stroke |
in. |
0.787 |
0.984 |
1.102 |
1.102 |
1.181 |
1.181 |
| Max. Draw Bar Pull Force |
kN (kgf) |
14 (1428) |
20 (2039) |
27 (2753) |
27 (2753) |
36 (3671) |
36 (3671) |
| Max. Gripping Force |
kN (kgf) |
26 (2651) |
40 (4079) |
54 (5506) |
54 (5506) |
74 (7546) |
74 (7546) |
| Max. Speed |
rpm |
4300 |
3600 |
3100 |
3100 |
2500 |
2500 |
| Net Weight (1) |
lbs. |
27.5 |
52.8 |
79.5 |
78.9 |
135.0 |
134.1 |
| GD 2 |
lbs/ft 2 |
3.4 |
10.6 |
23.6 |
23.4 |
57.2 |
56.6 |
| Matching Cylinder |
|
Y1020R |
Y1225R |
Y1530R |
Y1530R |
Y1530R |
Y1530R |
| Matching Hard Top Jaw |
|
HB06B1 |
HB08A1 |
HB10A1 |
HB10A1 |
HB12B1 |
HB12B1 |
| Matching Soft Top Jaw |
|
SB06B1 |
SB08B1 |
SB10B1 |
SB10B1 |
SB12A1 |
SB12A1 |
(1) With soft top jaw.
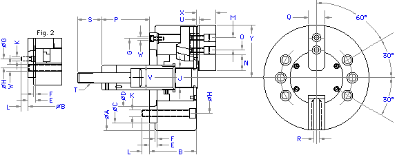
DIMENSIONS (Dimensions in Inches)

| MODEL |
NLT-06A05 |
NLT-08A06 |
NLT-10A06 |
NLT-10A08 |
NLT-12A06 |
NLT-12A08 |
| A |
6.496 |
8.268 |
10.000 |
10.000 |
11.969 |
11.969 |
| B |
3.307 |
3.346 |
3.504 |
3.504 |
4.173 |
4.173 |
| C (H6) |
5.512 |
6.693 |
8.661 |
8.661 |
8.661 |
8.661 |
| D |
3.251 |
4.188 |
4.188 |
5.501 |
4.188 |
5.501 |
| E |
0.591 |
0.669 |
0.787 |
0.709 |
0.787 |
0.709 |
| F |
0.197 |
0.197 |
0.197 |
0.197 |
0.236 |
0.236 |
| G |
4.567 |
5.906 |
6.748 |
7.480 |
6.748 |
7.480 |
| H |
4.126 |
5.252 |
6.748 |
6.748 |
6.748 |
6.748 |
| K |
6-M10 |
6-M12 |
6-M16 |
6-M16 |
6-M16 |
6-M16 |
| L |
0.551 |
0.787 |
0.709 |
0.709 |
0.709 |
0.709 |
| M |
0.787 |
0.984 |
1.181 |
1.181 |
1.181 |
1.181 |
| N max. |
1.594 |
1.894 |
2.142 |
2.142 |
2.587 |
2.587 |
| N min. |
1.339 |
1.575 |
1.785 |
1.785 |
2.205 |
2.205 |
| O max. |
0.542 |
0.827 |
1.162 |
1.162 |
1.684 |
1.684 |
| O min. |
0.364 |
0.473 |
0.453 |
0.453 |
0.502 |
0.502 |
| P max. |
3.405 |
4.488 |
5.551 |
5.630 |
5.630 |
5.709 |
| P min. |
2.618 |
3.504 |
4.449 |
4.528 |
4.449 |
4.528 |
| Q |
1.220 |
1.378 |
1.575 |
1.575 |
1.969 |
1.969 |
| R |
0.472 |
0.551 |
0.630 |
0.630 |
0.630 |
0.630 |
| S |
1.417 |
1.417 |
1.417 |
1.417 |
1.417 |
1.417 |
| T |
M16x2.0 |
M20x2.5 |
M20x2.5 |
M20x2.5 |
M20x2.5 |
M20x2.5 |
| U |
0.157 |
0.197 |
0.197 |
0.197 |
0.197 |
0.197 |
| V |
1.339 |
1.496 |
1.772 |
1.772 |
1.969 |
1.969 |
| W |
1.378 |
1.654 |
1.811 |
1.811 |
2.126 |
2.126 |
| X |
1.378 |
1.654 |
1.811 |
1.811 |
2.126 |
2.126 |
| Y |
2.835 |
3.740 |
4.331 |
4.331 |
5.079 |
5.079 |
NLT SERIES Closed Center, Two-Jaw, Long Stroke Chuck
Gripping Characteristic Graph

|